Feature:
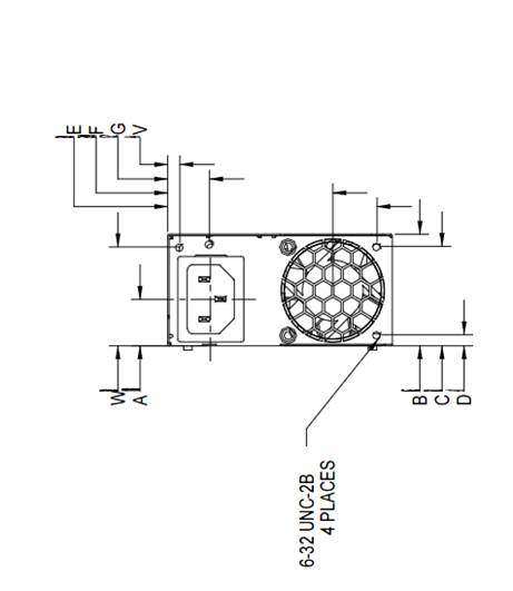
Flex 1U 230W Flex Power Supply
80+ APFC Bronze
Size is 150(L)*82(W)*40.5(H)mm
Complied with Flex ATX and ATX12V Standard
Meet EN61000-3-2
Compatible with European Union Directive 2002/95/EC (RoHS)
Internal 12V DC Fan
Low Noise and Ripple
Output Over Voltage, Short Circuit, and Over Current Protection
100% Hi-pot, ATE, and Burn-in Tested
| FLEX ATX : GF-230 | ||||||
| AC INPUT | 180V/264V50Hz | |||||
| DC OUTPUT | +12V | +5V | +3.3V | -12V | +5VSB | |
| 230W | MAX COMINEO WATTS | 16A | 10A | 8A | 0.5A | 2.0A |
| Total Power 230W | ||||||

